Maytag CWE900 Timer Repair

What is the timer/clock part number for the Maytag CWE900 Range?

Timer part number 7756po43-60 for Maytag CWE900

The CWE900 Range uses timer part number 7756po43-60.

Do you have a failed Maytag CWE900 control panel? Click here:

Request Appliance Timer Service

We can repair or replace your faulty Maytag CWE900 timer.

CWE900 are also sometimes referred to using these Alternative Names/Model numbers

Whirlpool CWE900 Range

CWE900 Schematic and Wiring Diagrams

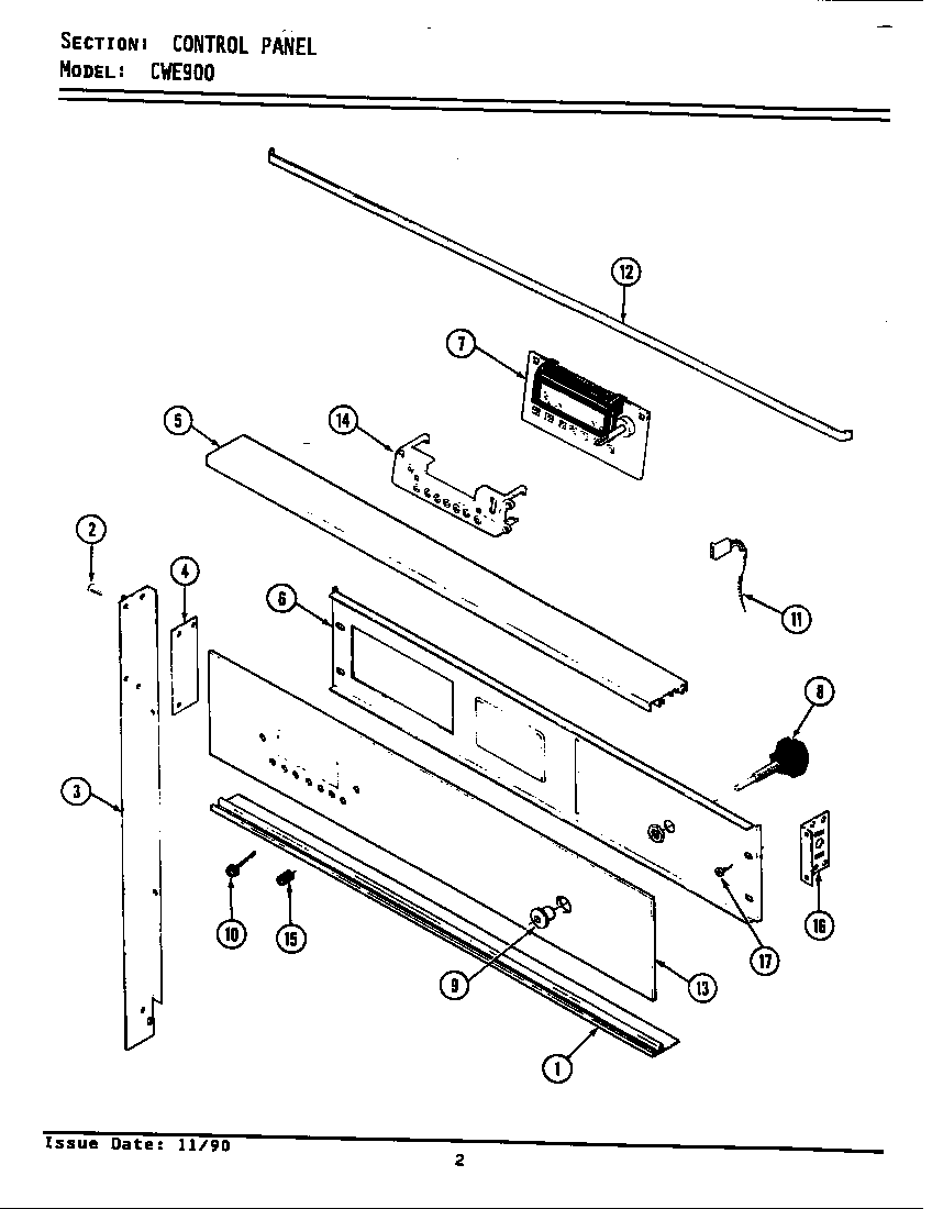
Control panel (cwe900) (cwe900) Parts diagram
CWE900 Range Control panel (cwe900) (cwe900) Parts diagram
Control panel (ecwe900) (ecwe900) Parts diagram
CWE900 Range Control panel (ecwe900) (ecwe900) Parts diagram
Burner box Parts diagram
CWE900 Range Burner box Parts diagram
Chassis Parts diagram
CWE900 Range Chassis Parts diagram
Door Parts diagram
CWE900 Range Door Parts diagram
Oven Parts diagram
CWE900 Range Oven Parts diagram

Recent Service Requests

CityProblem DescriptionResolution
Fairhope, AlabamaTimer failure following lighting strike on home.Repaired
Niles, OhioTimer keeps beeping hit cancel d starts again in several hrsAwaiting receipt of timer
Niles, OhioTimer keeps beeping hit cancel d starts again in several hrsAwaiting receipt of timer
Chilliwack, British ColumbiaThe panel does not light up can not read numbers ( settings )Repaired
Ellensburg, WashingtonWhen the power to the oven is turned on, it may take a few minutes but eventually starts beeping. when you hit cancel it may stop for a few minutes but eventually starts beeping again until you turn the power off to the oven.Awaiting receipt of timer
Arnes, ManitobaDisplay is very dimRepaired
LAYTONSVILLE, MarylandF-5 CODE, OVEN WON'T WORKRepaired
Rockland, OntarioOven does not start heating, it just beeps. After many tries it starts heating. If you do not have a timer in stock I could semd you mine to refurbished however I am ot sure I know hiw to remove it...? Do you have instructions?Repaired
Glen Burnie, MD 21061, MarylandOven doesn't heat up.Beyond Repair
Kenora, Ontariooven was on
hit cancel
oven started beeping flashing f7 code. pulled power and let sit overnight. tried to turn oven on the next day and same code came up and kept beeping and flashing F7 on display
Awaiting receipt of timer
Eau Claire, Wisconsinoven will not go to full temperature, cooling fan comes on intermittently on its own.Repaired
Eau Claire, WisconsinOven won't go to full temp , cooling fan will come on by itselfRepaired
Aurora, Ohio1. Main Problem is Broil relay is energized constantly when range power is on. Broil relay contacts are open when power is off, so the broil relay is not faulty.

2. Minor problem with main EL display. It's becoming pixelated, and harder to read. Concerned that it will soon become unreadable.
Awaiting receipt of timer
Mattawa, WashingtonBake/broil will not start unless button is held down for several seconds (waiting for a "click")--more recently, elements shut off shortly after starting. Buzzing sound (electrical) from timer is heard.Repaired
Middle Sackville, Nova ScotiaIntermittent F3, almost every time oven is used. Seems to be worse at higher temperatures. I replaced the oven temperature sensor and checked wiring.Also seeing intermittent F5 errors, less often than F3.Repaired
Rosewood, OhioOven would start to warm, then quit and display F5
Then Burned transformer up and now doesn't work at all
Beyond Repair
Enderby, British Columbiabake element stopped intermitently then stopped completely. When I took the cover off of the Omron part#0164w1 [wires coming from the bake element] I noticed that the points beside a wire coil were badly burnt .I'm assuming this is the problem but I'm concerned this may have been caused by another faultRepaired
Enderby, British Columbiabake element stopped intermitently then stopped completely. When I took the cover off of the Omron part#0164w1 [wires coming from the bake element] I noticed that the points beside a wire coil were badly burnt .I'm assuming this is the problem but I'm concerned this may have been caused by another faultRepaired
Rockville, MarylandBackground - You successfully repaired TWO timers for my separate double ovens back in March, 2010. The part number shown above is copied from the email I received from you when they were repaired. One oven continues to work normally. The other fails to heat or broil at all. Shortly after selecting bake and setting a temperature, or setting it to broil (4 seconds) a noticeable click is heard, followed by the sound of a low-speed fan. This occurs on BOTH ovens. In the one that fails to heat, however, the coils never warm up and within right around 20 seconds after the fan is heard to start the setting displayed in the panel clears and it goes to back as though the unit was not turned on at all.Repaired
Coupland, TexasBottom heating element no longer works. Upper element works fine.Repaired

Common problems for Maytag CWE900 Timer Repair

Are you encountering a similar problem as them? Contact us now and we will try to help you fix your CWE900 timer-related problem.
i have a maytag wall oven #cwe9000bcb i had to replace the element,because it split now there is no power to the element, the display works and it reades as it goes to bake, but it does no heat, the broiler work ok
maytag oven calibration oven is cooking approximately 30 degrees lower than setting
I have a Maytag electric built in oven, Model cwe9000bcb. F-1 code was displaying on clock. I had a repairman out and he replaced the sensor in the back of the oven. He told me that the circut board needed to be replaced. The part # is 7601P214-60 and is no longer being manufactured. I had the part re-manufactured by CG Industries and put it back in and the code came back, I brought it back they re-repaired and I re-installed and the F-1 code is still coming on. Is it possible the problem is something other than the cicuit board?
Bottom electric heat element in wall over does not work The top heat element works fine. I have replaced the bottom heat element with a new one but it still does not work. Wall oven is Maytag 30" model CWE9000BCB.
I have an electric wall oven model CWE9000ACE and none of the buttons are responding when I press them. The power is on and the clock is illuminated and keeping correct time. The cancel button beeps when I press it but nothing else responds or makes and sound when pressed. Any thoughts?
I have a 1994 Maytag wall oven (Model CWE9000ACE). Recently, it has not cooked very well as it seems the temp is not hot enough even though the display says it is. Food is not being done when it should be. Time to replace or can this be fixed w/o too much cost?
my maytag oven displays in the window F2 and beeps every few minutes very loudly and and it feels like cool air is comming out of the oven
The beeper for my cwe9000 keeps on going off at random WHEN THE OVEN IS OFF. The cancel button only cancels it temporarily. Can I just disconnect the beeper? Or is this a temp sensor issue? I have removed the control panel. Is the beeper the large silver circle between the circuit boards?
Maytag Wall Oven is not heating up to the set temperature any longer. It makes it to 250 degrees max. What is broke and how hard is it to fix?
We own a Maytag electric wall oven model cwe9000 at this time the door will not close tight properly, and after purchasing an oven thermometer have also found the oven temperatperature off by a whopping 55 degrees. The repairman that was here said the new door new will flatten out in time and as per a manual that we have to leave a message a he will try and downlad and send semd to me. As of today no luck yet. As the unit fits properly and looks wonderful in the home we purchased is there a solution to our problems. Thank you Bruce Parrington Ottawa,Canada
Our Maytag MF12266AEB display panel does not work. We replaced the water filter and the dispenser alarms when you push for water or ice. I heard that the water valve could be the culprit? All the buttons on the display panel cannot be adjusted?
I have a Maytag wall oven Model CW9000 ... it keeps beeping and gives me an F1 code ... can you identify the problem and fix ... the oven works fine. Thanks
I have 2 electric wall ovens model cwe9000 stacked. the bottom one no longer heats up to the correct temp. it heats up to about 150 and then stays there. It also takes a very long time to heat up. The upper oven works just fine. what do i do?
Maytag CWE9000 Wall oven: What does error code F1 mean?
I have a Maytag self cleaning overn model CWE9000ACB, series 12. Last night while I was self cleaning it, the operation stopped after about an hour and the LCD screen said I had an F -2 error. I hit reset, but after a few seconds I got the beep, beep again. So I tripped the breaker for an hour and the oven appeared to work OK for about an hour before the beep beep and the F-2 message came back. What should I do?
I have a Maytag wall oven electric model ECWE900. Temperature is off by around 75 degrees (too cool). Raising the temp by 78 degrees is not a steady temp. What parts need replacement and how do I access the parts.
We have a Maytag self-cleaning oven, model CWE900, 20 year old but in good shape. We had a grease fire and the oven floor is now hard with grease baked on. Can we use the self-cleaning feature or do we need to clean it first? If so, how do we clean it?
Maytag Oven Model CWE 900, it apperars that I need to replace the temp sensor. Code F4. Is this a procedure that I could complete myself. I know where the sensor is, but do I need to pull the oven out of the wall. The sensor wire goes into the back of the oven and doesn't pull out without resistance to expose any disconnectable clips, hooks or connectors. Any help would be greatly appreciated. Thanks.
I have a Maytag Oven (Self Cleaning System Model CWE900) I am getting error message F-2, plus the clock is beeping continually and driving me crazy. I have tried everything I can think of....... please help
I NEED TO REPLACE MY BROKEN OVEN ( MAYTAG CWE900) AND WANTED TO KNOW THE DIMENSIONS...SO THAT THE OVEN I PURCHASE WILL FIT THE VACATED SPACE...CANNOT FIND MY MANUAL - OR ANY SPECS FOR THIS OVEN ON LINE
I have a 1992 Maytag CWE900 electric wall oven that won't heat up like it used to. I have to set it to the max 550 and after an hour it reaches 350 and eventually 400. We had a sensor replaced a few years ago after getting an "Error" message on the keypad when something burned out after a self-clean cycle. Is this a thermostat issue - a part that can be replaced, and is it worth repairing? I'd rather not buy a new oven. Thanks!
Maytag built-in oven model cwe900 fails to reach desired temp. A setting of 400 degrees my only produce 250 degrees.
Getting a fault code of F-3 on a Maytag CWE900
Maytag wall oven uses control board 7601P177-60. The only replacement available is 7601P156-60. I bought one, but it doesn't fit. The connector for the temperature sensor has 3 wires, but the old one has 4. Theconnector for the relay board has a completely different type of connector, and the new control board is not made for the relay board to mount onto its back as the old one is. Can all this be adapted? Or am I forced to just scrap the oven and buy a new one? Has anybody out there ever replaced a 7601P177-60 control board before?
The temperature control button that also controls the hi/lo for broil, setting the clock, etc. on my Maytag Cwe900 broke off. Can we replace this ourselves or do we need to contact a service tech?
I have a Crosley washing machine, model number CW6500W and my clothes are still wet after final spin. There are no unusual noises during entire wash cycle. I replaced the drive belt because on inspection of pumps, hoses, wash drums, motor etc for the cause of the problem, the belt appeared to have been slipping. Hand spin of pulley at bottom of transmission with belt off is very easy; with belt on it is still relatively easy. Agitator in washtub can be turned a little bit in either of the above conditions. Motor appears to slide for cycle tensioning and there appears to be no visible signs of wear on the motor plate and associated mechanisms. I did note that there seems to be some play (wobble) in the pulley below the washdrum when it is moved by hand but I am not sure if this is normal (on a car engine it would not be). Replies to some of the posts seem to indicate problems in the transmission department. The condition of the old belt indicates drag somewhere. Now I am at a loss. Wife
Can't Locate the 3 letter suffix for Magtag model number cwe9000 My Magtag oven Model cwe9000 needs new door hinges. I was told that I need the 3 letters that follow cwe9000 to order the correct parts. Where can I find these 3 letters on the range? I previously ordered hinges for this model and they turned out to be too small. The parts store told me that I need the three letters to get the correct parts. Hope someone can help,Thanks,Ed
A buzz noise was heard and the control panel and oven went out. The range top still works. I am guessing my problem is the internal fuse or circuit breaker. Does anyone know how to access the fuse on this particular model?
my oven cwe9000 shows an f-1 code and I press cancel. It stops beeping for a time but it restart later. All the brakers are turned off, then turned on again it is ok then all of a sudden it starts again. Can you explain why this is so. I do all what the book said. Is there some fuses other than the brakers ? Where are they so I can check if one is blown or needs to be changed. my E-mail is pa-c-guibord@sympatico.ca Thank you. awaiting your solution
I am looking for parts for a Maytag CWE9000 wall oven. Spacifically the touch panel. What do you suggest?
I have a electric wall oven model cwe9000 and it is showing a fault code f1. What is that and how do I fix it?
My Maytag oven model CWE9000BCB fails to heat to set temperature. Using two seperate oven thermometers, at a setting of 550 for the oven or on HI broil the maximum temp it reaches is 350. No fault codes or errors are displayed on the touch pad.
have a maytag oven model #cwe9000bcb, serial # XXXXX got an error message of F7. what is the problem. pressed cancel and everything appears normal.
whirlpool rf376pxdz1 smooth top oven there is 240 vac to main oven terminal but after pressing control pad ( which displays bake 350 deg f for example ) cannot get any voltage reading at back of unit at bake element terminals top elements work did not check broil element do i need new control pad 2nd question have maytag built in oven CWE9000BCB unit has power but display is blank do i need new control pad
My Crosley CW6000w washer shakes allot during the spin cycle, even with a small/medium size load. It never reaches full RPM so it leaves the clothes wetter than it used to. During the spin cycle, the tub always appears to be out of balance. With a heavy load, the tub move so much that it seems to be banging against the cabinet. The machine sits level on a concrete floor. When the spin cycle starts, the tub turns slowly, as if a clutch is slipping, and makes a slight roaring sound. The roaring sound goes away once the tub starts spinning at a medium pace. What parts are most likely to be causing the out of balance spinning and the slower than required RPM? The snubber & springs? I'm also looking for a site to download a service manual for this model but have not found it. HISTORICAL INFO (that may or may not be relevant): A few years ago, I had a problem where the water wasn't completely spinning out. I notice a lot of white plastic shavings under the machine and assumed they were from
dbl circuit not getting electricity. why? is this a control panel problem or an oven sensor? or something else.
30 inch maytag wall oven model #cwe9000ace actual temperature is lower and inconsistant with the temperature selected
Hello, My washer wil fill with water and will attempt to start the agitate cycle. I removed belt and checked transmision which is fine. with the belt removed the motor will start then imediately stop. No contact on the motor ohms to ground all seems fine on it. Now im familiar with hvac and refrigeration but never have seen much action on washer clocks and motors. The washer will spin out just fine. This does not seem like motor protection causing the issue but i may be wrong. Any help to light my way is greatly apreciated
Upper oven will not cook. When "cook time" or "broil" or "oven temp" buttons are pushed "door" shows up in the display and the oven will not turn on. I have reset the breaker(left off overnight), didled with the door latch mechanism, and messed with a micro switch that seems to work with the door latch, but still will not cook. The self clean cycle will work. The clock works. The bottom oven works. I took the control panel out and did not see any loose circuits. I took the door off and reinstalled with no change. Any ideas on what could be wrong?
The F1 code comes on plus a beeping
I know this may seem like an obvious time to replace an over, but I'd like to try and find a replacement part (listed as not available online) for my Maytag oven. The oven itself still looks and performs like it's brand new, but the control panel has been behaving rangenly lately. Every now and then it just beeps and flashes the cook time set or time set controls. Between times it operates fine and I'm able to set the oven temperature and it heats up with no problem. But on a couple of occasions I would hit the temperature set button and nothing would happen, I wasn't able to set the temperature. Before that condition is permanent, I'd like to find out if there is anywhere out there online where old parts (as-is or reconditioned are available). I'd rather keep this one going because it's still in mint condition and am a bit freaked out at the idea of trying to find another oven that will fit into the existing cut out and not make for a horrible cut/paste/patch experience. Sure it's kin
Original problem was that when bake temp button pushed, oven begins to warm up (starts at 100 degrees) but after a few seconds oven turns off. Recommendation was to replace temp sensor which I did. Problem is still the same, except that if I repeat hitting the bake temp button before it turns off, I the oven evently gets to 105 temp and stays on until it reaches desired temp. At this point oven works fine and can set all clocks and reset temp. When I finally turn off by hitting cancel, oven beeps a few times and a code appears on digital readout the code is F-1 Need assistance