Magic Chef 64HN4TKVW Timer Repair

64HN4TKVW are also sometimes referred to using these Alternative Names/Model numbers

Maytag 64HN4TKVW Range, Whirlpool 64HN4TKVW Range, 64HN-4TKVW-EV

64HN4TKVW Schematic and Wiring Diagrams

Manifold panel - main top Parts diagram
64HN4TKVW Range Manifold panel - main top Parts diagram
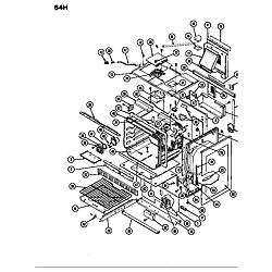
Body Parts diagram
64HN4TKVW Range Body Parts diagram
Gas controls Parts diagram
64HN4TKVW Range Gas controls Parts diagram
Door Parts diagram
64HN4TKVW Range Door Parts diagram

Common problems for Magic Chef 64HN4TKVW Timer Repair

Are you encountering a similar problem as them? Contact us now and we will try to help you fix your 64HN4TKVW timer-related problem.
Basically I've got a front load Kenmore elite king size dryer. It is constantly shutting off. I'll turn the nob to 80 minutes and it will turn off in a couple minutes. Doesn't matter if I do auto sense or timed it just shuts off. This problem has been going on for months and in the past if you just spun the knob a few times or went back and forth a few times it would do ok again. Now its to the point where it wont run unless I hold the start button in the whole time. Soon as I let go no matter what it shuts off. I'm guessing its the clock since there really isn't much else too it. Anyone got any other ideas or would you agree its likely the clock? Heat's fine when its actually running.
The digital read-out indicates F2. The fault codes indicate that this may mean the oven is too hot. In this case, the oven was not even on at all. The rangetop burners were previously on, but the F2 came up about 15 minutes after the burners were shut off. Oven and burners seem to work fine otherwise. What to do?
I recently bought a rebuilt Magic Chef clock assembly 6498xts. The package has a warning label that says "Static sensitive contents, special handling required". However, there is no instructions regarding what special handling is required. Can you tell what this warning means? Ed Webb
Hi. Sorry in advance for this most basic post. I have a Magic Chef 6498VRA gas oven that's 10 years old. The bake feature of the oven works but the broiler doesn't. I was told by the Maytag/Whirlpool folks that I may need either a new clock, thermostat or ignitor. I found out later that that the oven only has one ignitor (not a separate one for the bake vs broil function), so I guess this is not the issue? Can anyone offer advice on what part I might need? Or, if there is no way to know unless you're looking at the range/testing the range, that would be helpful to know as well. jill
What's the trick to tilting back cook top to expose clock/clock? Does front panel/cover need to be removed? I want to install new clock/clock.
I am receiving both F2 and F4 error messages. The oven/broil shuts down by itself while cooking. I replaced the oven thermostat. It seemed to help at first but now the situation is worse. The error messages are coming after the oven/range have been turned off. It also sounds like the oven fan is trying to switch on when the oven is not in use. Should I junk the oven or repair it? I see from the other threads replacing the clock/Control unit may correct the problem. If so, what part number for my oven? The serial number for the oven is 33c137727291.
Ok here we go. Our 16 year old Magic Chef gas slide in oven is malfunctioning again. The oven will light and often reach bake temp. It also will throw code F4 on a regular basis. It seems that when we use the range top burners at the same time as the oven it will throw codes more often. I replaced the oven temp sensor about 1 year ago. While this seemed to help reduce the frequency of the errors it did not eliminate them entirely. I have checked the ohms at both the circurt board and the sensor itself-they both read about 1100 at room temp. When I put the sensor in my hand the ohms will increase as it heats up. At this point my assumption is that the clock/control board is gone. I am not able to find this model on your site but I was able to find it along with my part on repair ************.com -problem is that they say it is discontinued and no longer available. Here is a link http://www.************.com/SmartSea...9226&PPStack=1 Any help would be appreciated.
My magic chef oven model#6498vrv is not maintaing proper temperature. I have replaced the oven sensor. Then checked oven temperature with a thermometer and temperature is off by 200-300 degrees. Last year I replaced the touch panel , which fine. I have searched for other parts that might be the problem, I found Relay board Part Number: AP379876 made by MAYTAG could this be needed? Any other suggestions or parts would be greatly appreciated. I'm sure there is a thermastat somewhere built into a part, could that relay board be it ?
My Maytag slide-in range Model # XXXXX keeps flashig F - 2. I can make it stop flashing but wonder what it means.
Looking for manual and trouble shooting for Magic Chef range Model 64HN-4TKVW. Broiler either won't go on or goes on and then turns itself off after 10 seconds.
We have had problems with the oven portion of Magic Chef gas range. Range info: Make: Magic Chef Model: 64HN-4TKVW Code: EV Serial Number: 40C2325219866 Date of Purchase: September 1992 The oven portion will not start at times. The oven is set to "bake." The display then shows 100 Deg F for a few seconds, then the display goes blank - the oven does not start. The same thing happens when set to "broil." The igniters do not glow. All of the stovetop burners work ok. Several attempts were made but nothing happened. About 24 hours later a few more attempts are made and eventual both the bake and broil functions are ok. The oven was not used previously for about 1 week. This the second time this has happened in the past 6 months.
Our oven (purchased in '91) doesn't heat to full capacity. When you look thru the holes in the bottom, there are not flames. At this stage, I'm wondering if it's worth the cost of repair or better to buy new.
You gave me a part # XXX a Magic Chef oven Model #64HN 4TKVW EV as #709207. I located the part on the Repair Clinic site, but the panel does not look the same as my oven. The 7 buttons are in one line (see below) whereas, the buttons on my oven are are triangles and alternate up and down, as follows V^V^V (this the best I can do). Is the item # XXX gave me a substitute or compatible with the item #7601P179-60 which is what Sears gave me? Sears advised that their item #7601P179-60 has been discontinued. If this is so, can you advise where I can locate part #7601P179-60 if it is the correct item. Thanks, Glenda Meyer
The LED on the front of my range beeped and went out. The light in the oven and the range top still work.
Magic Chef oven - Mdl# XXXXX SERIAL#41C248824105 . The computer in the oven does not work. Because of this, the oven does not heat up. I have already paid $85. for a technician for an in house diagnosis. I was told that the computer cannot be replaced since Magic Chef is no longer in business. The oven is only approx. 12 years old. How and where cvan I get this repaired/ replaced. I live in New York, my zip code is 10530.
my oven does not heat up like it used to when cooking at 350 it took our turkey more than 3 hrs to cook can you help